茄子视频污下载
热门新闻
-
产品详情
-
联系茄子视频成人电影
茄子视频污下载基本参数 | ||
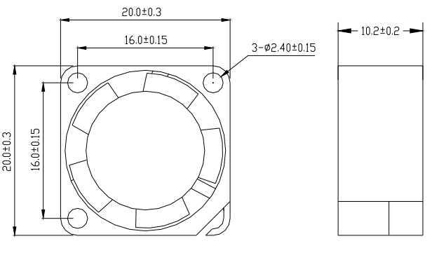
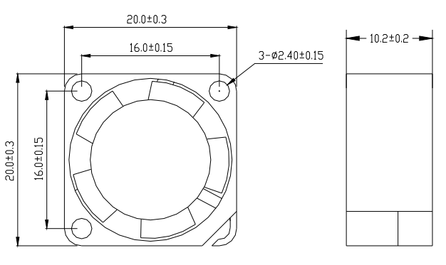
| 尺 寸: | 20×20×10 MM | |
| 额定电压: | DC 5.0 V (可以定制) | |
| 额定电流: | 0.13 A | |
| 额定功率: | 0.65 W | |
| 最大风量: | 1.35 CFM (可以定制) | |
| 最大风压: | 4.3 mmH2O | |
| 噪 音: | 24.2 dB-A | |
| 茄子视频污下载曲线 | 茄子视频污下载尺寸图 |
![]() | ![]() |
同型号其他参数
| MODEL | Rated Voltage | Operatig Voltage Range | Rated Current | Rated Input Power | Speed | Maximum Air Flow | Maximum Air Pressure | Node | ||
| 型号 | 额定电压 | 工作电压范围 | 额定电流 | 额定输出功率 | 转速 | 最大风量 | 最大风压 | 噪音 | ||
| PART NO. | V DC | V DC | A mp | Watt | R.P.M | m³/min | CFM | mmH2O | INH2O | dB-A |
| JXJ2010D5L-S | 5 | 4.3∽5.4 | 0.06 | 0.3 | 10000 | 0.03 | 1.02 | 2.16 | 0.085 | 19.0 |
| JXJ2010D1L-S | 12 | 7.0∽13.5 | 0.03 | 0.36 | 10000 | 0.03 | 1.02 | 2.16 | 0.085 | 19.0 |
| JXJ2010D5M-S | 5 | 4.3∽5.4 | 0.08 | 0.4 | 12000 | 0.032 | 1.14 | 2.65 | 0.105 | 21.5 |
| JXJ2010D1M-S | 12 | 7.0∽13.5 | 0.05 | 0.6 | 12000 | 0.032 | 1.14 | 2.65 | 0.105 | 21.5 |
| JXJ2010D5H-S | 5 | 4.3∽5.4 | 0.13 | 0.65 | 14000 | 0.038 | 1.35 | 4.3 | 0.17 | 24.1 |
| JXJ2010D1H-S | 12 | 7.0∽13.5 | 0.08 | 0.96 | 14000 | 0.038 | 1.35 | 4.3 | 0.17 | 24.1 |
辛苦您了,您看到这里了怎么还没有看到风扇都没有什么工功能选择的吗?不要着急,公司给您来个非常详细的功能介绍。请点击风扇功能
备注
如果您需要找的型号或者是需要特殊的型号参数,我司可以给您方案设计,让您更加放心省事。请联系茄子视频成人电影业务!如果这个型号不合适您,也可以直接点击产品中心哦!
业务电话:18207676655 (微信同号)
传真:0755-23033850
联系人:曾先生
地址:深圳市龙华新区观澜街道松元上围新村51号




销售咨询-1