茄子视频污下载
热门新闻
-
产品详情
-
联系茄子视频成人电影
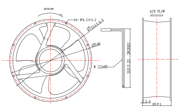
茄子视频污下载JXJ25489A2H-B基本参数 | ||
| 尺 寸: | 254×89 MM | |
| 额定电压: | AC 220 V | |
| 额定电流: | 0.22A | |
| 额定转速: | 2700 RPM | |
| 额定功率: | 50.0 W | |
| 最大风量: | 860/930CFM | |
| 最大风压: | 0.94/0.86 INH2O | |
| 噪 音: | 62/65 dB-A | |
| 茄子视频污下载JXJ25489A2H-B曲线 | 茄子视频污下载JXJ25489A2H-B尺寸图 |
![]() | ![]() |
同型号其他参数
| MODEL | Rated Voltage | Freq | Rated Current | Rated Input Power | Speed | Maximum Air Flow | Maximum Air Pressure | Node | ||
| 型号 | 额定电压 | 频率 | 额定电流 | 额定输出功率 | 转速 | 最大风量 | 最大风压 | 噪音 | ||
| PART NO. | V AC | Hz | A mp | Watt | R.P.M | m³/min | CFM | mmH2O | INH2O | dB-A |
| JXJ25489A1H-B | 110 | 50/60 | 0.45/0.56 | 50/65 | 2700/3000 | 24.3/26.3 | 860/930 | -- | 0.94/0.86 | 62/65 |
| JXJ25489A2H-B | 220 | 50/60 | 0.22/0.28 | 50/65 | 2700/3000 | 24.3/26.3 | 860/930 | -- | 0.94/0.86 | 62/65 |
辛苦您了,您看到这里了怎么还没有看到风扇都没有什么工功能(防潮、温控 等)选择的吗?不要着急,公司给您来个非常详细的功能介绍。请点击风扇功能
备注
如果您需要找的型号或者是需要特殊的型号参数,我司可以给您方案设计,让您更加放心省事。请联系茄子视频成人电影业务!如果这个型号不合适您,也可以直接点击产品中心哦!
业务电话:18207676655
传真:0755-23033850
联系人:曾先生
地址:深圳市龙华新区观澜街道松元上围新村51号




销售咨询-1