茄子视频污下载
热门新闻
-
产品详情
-
联系茄子视频成人电影
茄子视频污下载JXJ5020D1H-B基本参数 | ||
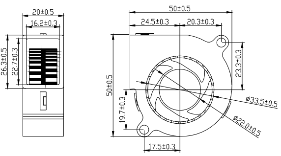
| 尺 寸: | 50×50×20 MM | |
| 额定电压: | DC 12.0 V | |
| 额定电流: | 0.23 A | |
| 额定转速: | 5500 RPM | |
| 额定功率: | 2.76 W | |
| 最大风量: | 6.12 CFM | |
| 最大风压: | 17.7 mmH2O | |
| 噪 音: | 37.4 dB-A | |
| 茄子视频污下载JXJ5020D1H-B曲线 | 茄子视频污下载JXJ5020D1H-B尺寸图 |
![]() | ![]() |
同型号其他参数
| MODEL | Rated Voltage | Operatig Voltage Range | Rated Current | Rated Input Power | Speed | Maximum Air Flow | Maximum Air Pressure | Node | ||
| 型号 | 额定电压 | 工作电压范围 | 额定电流 | 额定输出功率 | 转速 | 最大风量 | 最大风压 | 噪音 | ||
| PART NO. | V DC | V DC | A mp | Watt | R.P.M | m³/min | CFM | mmH2O | INH2O | dB-A |
| JXJ5020D5L-B | 5 | 4.3-5.4 | 0.33 | 1.65 | 4000 | 0.15 | 5.21 | 9.61 | 0.38 | 27 |
| JXJ5020D1L-B | 12 | 7.0-13.6 | 0.14 | 1.68 | 4000 | 0.15 | 5.21 | 9.61 | 0.38 | 27 |
| JXJ5020D2L-B | 24 | 18-26.5 | 0.07 | 1.68 | 4000 | 0.15 | 5.21 | 9.61 | 0.38 | 27 |
| JXJ5020D5M-B | 5 | 4.3-5.4 | 0.40 | 2.0 | 5000 | 0.17 | 5.86 | 16.23 | 0.64 | 35 |
| JXJ5020D1M-B | 12 | 7.0-13.6 | 0.19 | 2.28 | 5000 | 0.17 | 5.86 | 16.23 | 0.64 | 35 |
| JXJ5020D2M-B | 24 | 18-26.5 | 0.11 | 2.64 | 5000 | 0.17 | 5.86 | 16.23 | 0.64 | 35 |
| JXJ5020D1H-B | 12 | 7.0-13.6 | 0.23 | 2.76 | 5500 | 0.18 | 6.12 | 17.73 | 0.70 | 37.5 |
| JXJ5020D2H-B | 24 | 18-26.5 | 0.15 | 3.6 | 5500 | 0.18 | 6.12 | 17.73 | 0.70 | 37.5 |
辛苦您了,您看到这里了怎么还没有看到茄子视频污下载都没有什么功能(防潮、温控 等)选择的吗?不要着急,公司给您来个非常详细的功能介绍。请点击风扇功能
备注
如果您需要找的扇热风扇型号或者是需要特殊的型号参数,我司可以给您方案设计,让您更加放心省事。请联系茄子视频成人电影业务!如果这个型号不合适您,也可以直接点击产品中心哦!
业务电话:18207676655
传真:0755-23033850
联系人:曾先生
地址:深圳市龙华新区观澜街道松元上围新村51号




销售咨询-1